Арт.: 027159

Профиль SL-LINIA32-FANTOM-EDGE-2000 ANOD (Arlight, Алюминий)

Распечатать
Поделиться
Общие характеристики
Тип товара
Профиль
Цвет покрытия
Серебристый
Форма (сечение)
Фигурный
Назначение
Для гипсокартонных листов
Модельный ряд
SL-LINIA
Материал корпуса
Алюминий
Индивидуальная покраска
Возможна
Гарантийный срок
3 год(а)
Способ монтажа
Встраиваемый со скрытым фланцем
3 52128 ₽/м

В наличии

Пленочная упаковка (полистирол) 2 м — 7 04256
Пленочная упаковка (полистирол) 2 м 7 04256
Способы получения заказа Способы получения заказа Доставка по Воронежу Самовывоз
Описание
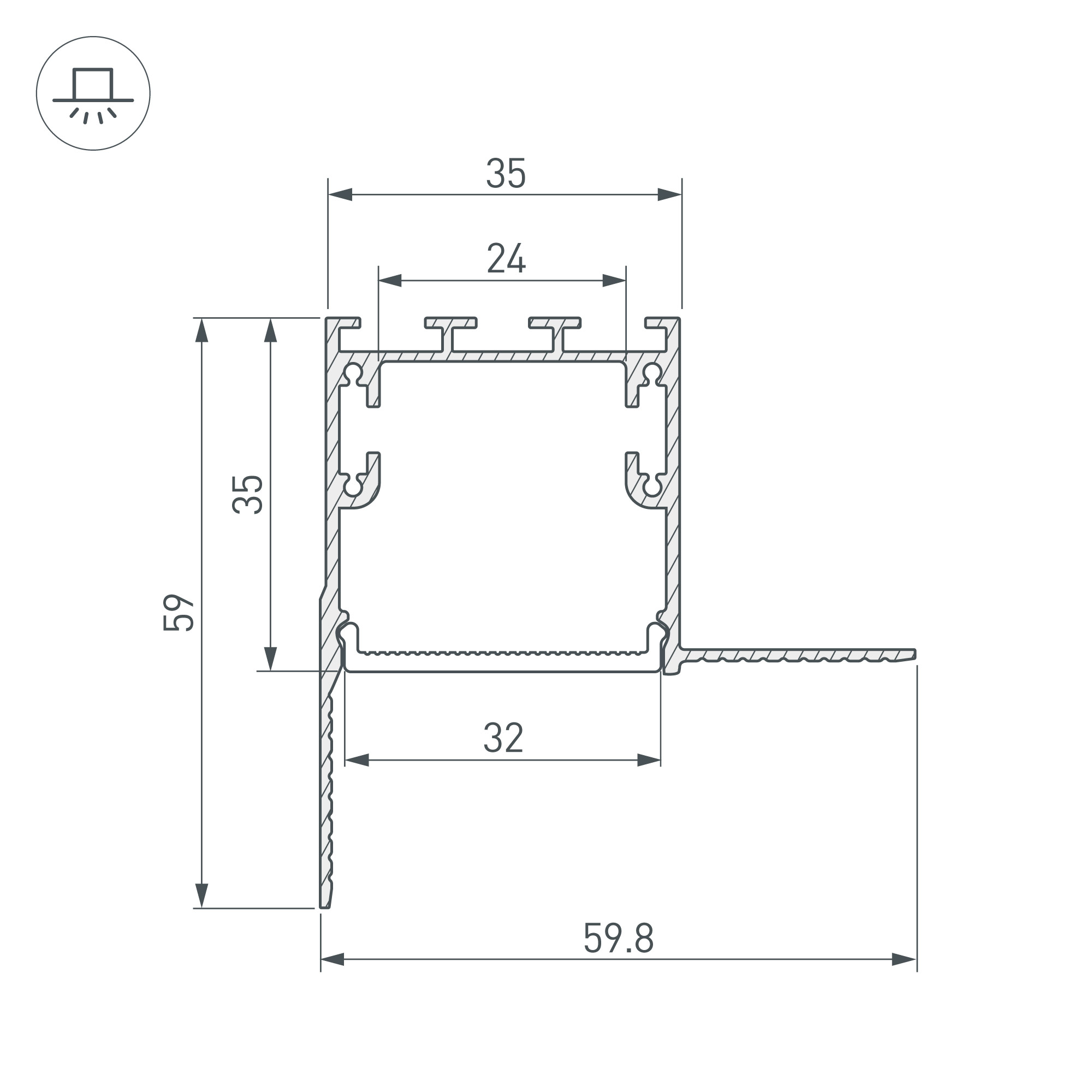
Встраиваемый профиль из анодированного алюминия со скрытым фланцем под строительную отделку устанавливается в потолки и потолочные ниши из гипсокартона для контурной подсветки помещений. Габаритные размеры профиля составляют 2000 мм в длину, 59,8 мм в ширину и 59 мм в высоту. Площадка для установки светодиодных лент позволяет использовать ленту шириной до 24 мм и мощностью до 52,5 Вт/м. Это обеспечивает гибкость в выборе светодиодных лент и создает потрясающие световые решения. Экраны, заглушки и другие аксессуары не включены в комплект и приобретаются отдельно. Цена указана за 1 метр профиля. Отличное решение для создания современных световых проектов. Перед установкой профиля в гипсокартон ОБЯЗАТЕЛЬНО установите в профиль экран.
Видео
Видеообзор FANTOM - скрытая установка
20 июля 2021
Видеообзор FANTOM - скрытая установка
Как создавать интересные световые иллюзии и эффекты с помощью профилей FANTOM? Как незаметно и аккуратно встроить профиль с фланцами в гипсокартонные стены и потолки? Покажем и расскажем в этом видео.
Характеристики
Алюминиевый анодированный профиль для светодиодных лент и линеек. Габаритные размеры (L×W×H): 2000x59,8x59 мм. Паз для установки 35х35 мм. Ширина площадки для ленты 24 мм. Экраны, заглушки и другие аксессуары приобретаются отдельно. Цена за 1 метр.
Общие
Артикул
027159
Тип товара
Профиль
Цвет покрытия
Серебристый
Форма (сечение)
Фигурный
Назначение
Для гипсокартонных листов
Модельный ряд
SL-LINIA
Материал корпуса
Алюминий
Индивидуальная покраска
Возможна
Гарантийный срок
3 год(а)
Способ монтажа
Встраиваемый со скрытым фланцем
Светотехнические
КПД профиля (cветовой)
70 %
Эксплуатационные
Внешний вид поверхности
Матовая
Покрытие поверхности
Анодирование
Ширина световой линии
32 мм
Рассеиваемая тепловая мощность на 1м
max: 52.5 W
Габариты
Длина
2000 мм
Ширина
59.8 мм
Высота
59 мм
Ширина площадки
24 мм
Глубина установки источника света
30 мм
Другие
Кратность цены за 1 м/шт
1
Модели серии (20)
Страница серии
Item 1 of 20